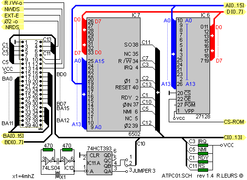
Atom-in-PC Schematic diagram: Processor and ROM logic