images/schsch-n.gif

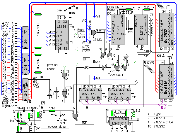
Het principeschema van de nieuwe schakelkaart

images/terug.gif